Sabitleme Civataları Ve Setiskurlar
3775B TORNAVİDA BAŞLI SETİSKUR VİDA (PASLANMAZ)

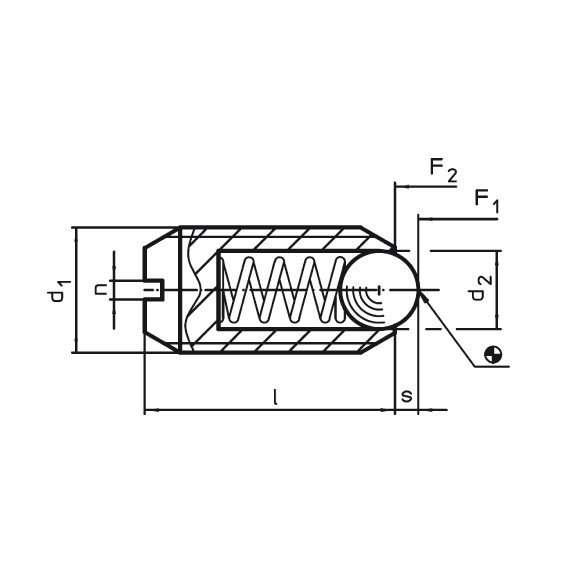
Gövde: Paslanmaz-çelik 1.4305 (SS).
Bilya: Paslanmaz-çelik, sertleştirilmiş.
Paslanmaz-çelik yay.
Isı derecesi 250°C'ye kadar.
Standart yay yükü: çizgi bulunmaz.
Ağır yay yükü: iki çizgiyle işaretlenmiştir.
*İstatistiksel ortalama değer.

| Kod No | d1 | d2 | I | s | n | F1* (N) | F2* (N) | Yay |
| 377500402 | M2 | 1.0 | 4 | 0.3 | 0.25 | 0.8 | 1.5 | Standard Yük |
| 377500403 | M3 | 1.5 | 7 | 0.4 | 0.4 | 3 | 4.5 | Standard Yük |
| 377500404 | M4 | 2.5 | 9 | 0.8 | 0.6 | 8.5 | 14 | Standard Yük |
| 377500405 | M5 | 3 | 12 | 0.9 | 0.8 | 8 | 14 | Standard Yük |
| 377500406 | M6 | 3.5 | 14 | 1 | 1 | 11 | 18 | Standard Yük |
| 377500408 | M8 | 4.5 | 16 | 1.5 | 1.2 | 18 | 31 | Standard Yük |
| 377500410 | M10 | 6 | 19 | 2 | 1.5 | 24 | 45 | Standard Yük |
| 377500412 | M12 | 8 | 22 | 2.5 | 2 | 26 | 49 | Standard Yük |
| 377500416 | M16 | 10 | 24 | 3.5 | 2 | 41 | 86 | Standard Yük |
| 377500420 | M20 | 12 | 30 | 4.5 | 2.5 | 56 | 111 | Standard Yük |
| 377500424 | M24 | 15 | 34 | 5.5 | 3 | 81 | 151 | Standard Yük |
| 377500605 | M5 | 3 | 12 | 0.9 | 0.8 | 15 | 22 | Ağır Yük |
| 377500606 | M6 | 3.5 | 14 | 1 | 1 | 19 | 28 | Ağır Yük |
| 377500608 | M8 | 4.5 | 16 | 1.5 | 1.2 | 36 | 62 | Ağır Yük |
| 377500610 | M10 | 6 | 19 | 2 | 1.5 | 57 | 104 | Ağır Yük |
| 377500612 | M12 | 8 | 22 | 2.5 | 2 | 61 | 110 | Ağır Yük |
| 377500616 | M16 | 10 | 24 | 3.5 | 2 | 68 | 142 | Ağır Yük |
| 377500620 | M20 | 12 | 30 | 4.5 | 2.5 | 84 | 166 | Ağır Yük |
| 377500624 | M24 | 15 | 34 | 5.5 | 3 | 127 | 237 | Ağır Yük |
DOSYALAR
Sabitleme Civataları Ve Setiskurlar

TR 
EN
RU
AR
FA
HE
EL
BG
ES
PL
HU
RO
CS
DE
FR
ZH








