Sabitleme Civataları Ve Setiskurlar
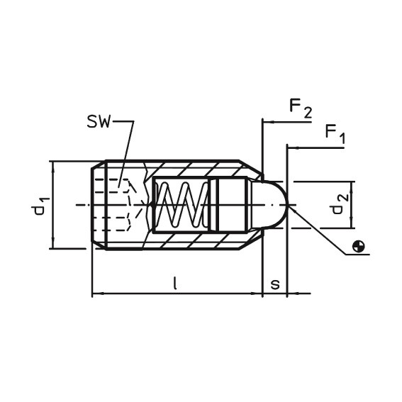
3722V ALYAN BAŞLI SETİSKUR VİDA

Gövde: Otomat çeliği, karartılmış.
Pim: Otomat çeliği, sertleştirilmiş ve karartılmış.
Paslanmaz-çelik yay.
Isı derecesi 250°C'ye kadar.
Standart yay yükü: çizgi bulunmaz.
Ağır yay yükü: iki çizgiyle işaretlenmiştir.
*İstatistiksel ortalama değer.
| Kod No | d1 | d2 | l | s | SW | F1* (N) | F2* (N) | Yay |
| 372200104 | M4 | 1.8 | 12 | 1.5 | 2 | 4.5 | 12.5 | Standard Yük |
| 372200105 | M5 | 2.4 | 14 | 2 | 2.5 | 5 | 13 | Standard Yük |
| 372200106 | M6 | 2.7 | 15 | 2 | 3 | 6 | 17 | Standard Yük |
| 372200108 | M8 | 3.8 | 18 | 2 | 4 | 16 | 33 | Standard Yük |
| 372200110 | M10 | 4.5 | 23 | 2.5 | 5 | 19 | 42 | Standard Yük |
| 372200112 | M12 | 6.2 | 26 | 3.5 | 6 | 22 | 57 | Standard Yük |
| 372200116 | M16 | 8.5 | 33 | 4.5 | 8 | 38 | 78 | Standard Yük |
| 372200120 | M20 | 10 | 43 | 6.5 | 10 | 39 | 81 | Standard Yük |
| 372200124 | M24 | 13 | 48 | 8 | 12 | 72 | 155 | Standard Yük |
| 372200146 | M6 | 2.7 | 15 | 2 | 3 | 11 | 25 | Ağır Yük |
| 372200148 | M8 | 3.8 | 18 | 2 | 4 | 23 | 59 | Ağır Yük |
| 372200150 | M10 | 4.5 | 23 | 2.5 | 5 | 20 | 54 | Ağır Yük |
| 372200152 | M12 | 6.2 | 26 | 3.5 | 6 | 38 | 96 | Ağır Yük |
| 372200156 | M16 | 8.5 | 33 | 4.5 | 8 | 50 | 100 | Ağır Yük |
| 372200160 | M20 | 10 | 43 | 6.5 | 10 | 52 | 133 | Ağır Yük |
| 372200164 | M24 | 13 | 48 | 8 | 12 | 91 | 223 | Ağır Yük |
DOSYALAR
Sabitleme Civataları Ve Setiskurlar

TR 
EN
RU
AR
FA
HE
EL
BG
ES
PL
HU
RO
CS
DE
FR
ZH








