Sabitleme Civataları Ve Setiskurlar
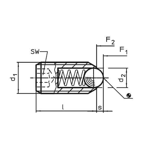
3722B ALYAN BAŞLI SETİSKUR VİDA (PASLANMAZ)

Gövde: Paslanmaz-çelik 1.4305 (SS).
Bilya: Paslanmaz-çelik, sertleştirilmiş.
Paslanmaz-çelik yay.
Isı derecesi 250°C'ye kadar.
Standart yay yükü: çizgi bulunmaz.
Ağır yay yükü: iki çizgiyle işaretlenmiştir.
*İstatistiksel ortalama değer.

| Kod No | d1 | d2 | l | s | SW | F1* (N) | F2* (N) | Yay |
| 372200203 | M3 | 1.5 | 8 | 0.4 | 1.5 | 3 | 4.5 | Standart Yük |
| 372200204 | M4 | 2.5 | 12 | 0.8 | 2 | 8.5 | 14 | Standart Yük |
| 372200205 | M5 | 3 | 14 | 0.9 | 2.5 | 8 | 14 | Standart Yük |
| 372200206 | M6 | 3.5 | 15 | 1 | 3 | 11 | 18 | Standart Yük |
| 372200208 | M8 | 4.5 | 18 | 1.5 | 4 | 18 | 31 | Standart Yük |
| 372200210 | M10 | 6 | 23 | 2 | 5 | 24 | 45 | Standart Yük |
| 372200212 | M12 | 8 | 26 | 2.5 | 6 | 26 | 49 | Standart Yük |
| 372200216 | M16 | 10 | 33 | 3.5 | 8 | 41 | 86 | Standart Yük |
| 372200220 | M20 | 12 | 43 | 4.5 | 10 | 56 | 111 | Standart Yük |
| 372200224 | M24 | 15 | 48 | 5.5 | 12 | 81 | 151 | Standart Yük |
| 372200245 | M5 | 3 | 14 | 0.9 | 2.5 | 15 | 22 | Ağır Yük |
| 372200246 | M6 | 3.5 | 15 | 1 | 3 | 19 | 28 | Ağır Yük |
| 372200248 | M8 | 4.5 | 18 | 1.5 | 4 | 36 | 62 | Ağır Yük |
| 372200250 | M10 | 6 | 23 | 2 | 5 | 57 | 104 | Ağır Yük |
| 372200252 | M12 | 8 | 26 | 2.5 | 6 | 61 | 110 | Ağır Yük |
| 372200256 | M16 | 10 | 33 | 3.5 | 8 | 68 | 142 | Ağır Yük |
| 372200260 | M20 | 12 | 43 | 4.5 | 10 | 84 | 166 | Ağır Yük |
| 372200264 | M24 | 15 | 48 | 5.5 | 12 | 127 | 237 | Ağır Yük |
DOSYALAR
Sabitleme Civataları Ve Setiskurlar

TR 
EN
RU
AR
FA
HE
EL
BG
ES
PL
HU
RO
CS
DE
FR
ZH








