Makine Kulpları
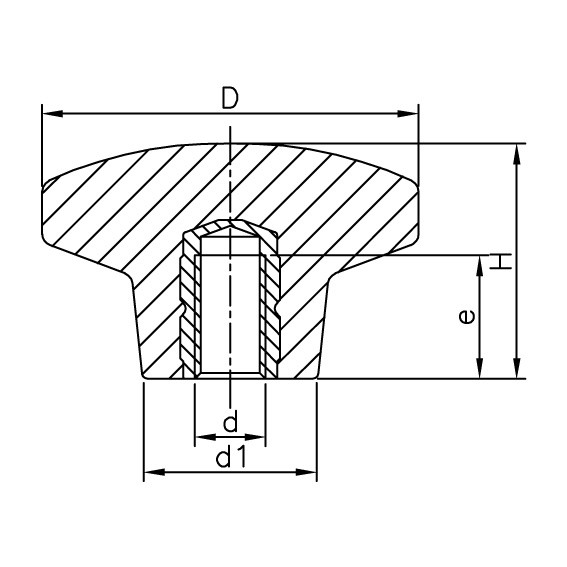
1121K DIN 6335 PARMAK (FORMA K, PASLANMAZ)


Diş çekilmiş, paslanmaz-çelik AISI-303 göbekli.
PF: Siyah Duroplast FS 31 DIN 7708.

| Kod No | D | H | d | d1 | e | Renk |
| 112132304 | 32 | 20 | M6 | 14 | 10 | Siyah |
| 112140308 | 40 | 26 | M8 | 18 | 14 | Siyah |
| 112150311 | 50 | 32 | M10 | 22 | 17 | Siyah |
DOSYALAR
Makine Kulpları

TR 
EN
RU
AR
FA
HE
EL
BG
ES
PL
HU
RO
CS
DE
FR
ZH






