Makine Kulpları
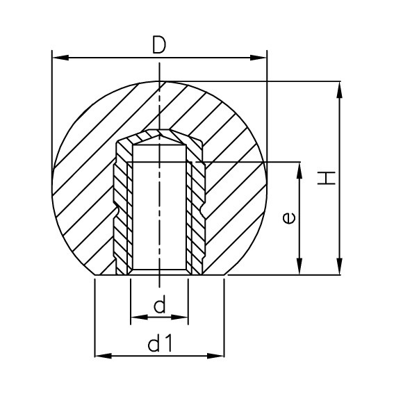
1102K DIN 319 KÜRE (FORMA K)


Diş çekilmiş, pirinç göbekli.
PF: Siyah duroplast FS 31 DIN 7708
| KOD NO | D | d | d1 | e | H | Renk |
| 110216301 | 16 | M4 | 8 | 6 | 15 | Siyah |
| 110220301 | 20 | M5 | 12 | 8 | 18 | Siyah |
| 110225301 | 25 | M6 | 15 | 10 | 23 | Siyah |
| 110230301 | 30 | M8 | 15 | 14 | 27 | Siyah |
| 110235301 | 35 | M10 | 18 | 16 | 32 | Siyah |
| 110240301 | 40 | M10 | 22 | 16 | 37 | Siyah |
| 110245301 | 45 | M12 | 22 | 18 | 43 | Siyah |
| 110250301 | 50 | M12 | 27 | 18 | 47 | Siyah |
DOSYALAR
Makine Kulpları

TR 
EN
RU
AR
FA
HE
EL
BG
ES
PL
HU
RO
CS
DE
FR
ZH






