Makine Kulpları
1111K TIRTIKLI KÜRE (FORMA K)


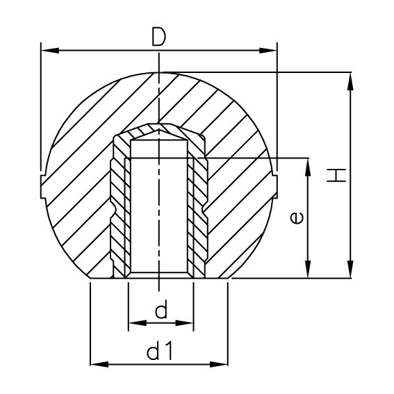
Diş çekilmiş, pirinç göbekli.
PF: Siyah Duroplast FS 31 DIN 7708.
| Kod No | D | d | d1 | e | H | Renk |
| 111120301 | 20 | M5 | 12 | 9 | 18 | Siyah |
| 111125301 | 25 | M6 | 15 | 10 | 23 | Siyah |
| 111130301 | 30 | M8 | 16 | 14 | 27 | Siyah |
| 111135301 | 35 | M10 | 19 | 17 | 32 | Siyah |
| 111140301 | 40 | M10 | 22 | 17 | 37 | Siyah |
| 111145301 | 45 | M12 | 20 | 19 | 43 | Siyah |
| 111150301 | 50 | M12 | 20 | 19 | 47 | Siyah |
| 111155301 | 55 | M12 | 20 | 19 | 53 | Siyah |
DOSYALAR
Makine Kulpları

TR 
EN
RU
AR
FA
HE
EL
BG
ES
PL
HU
RO
CS
DE
FR
ZH






