Makine Kulpları
1120H KARE (FORMA H)


Çelik göbekli.
PF:Siyah Duroplast FS 31 DIN 7708.
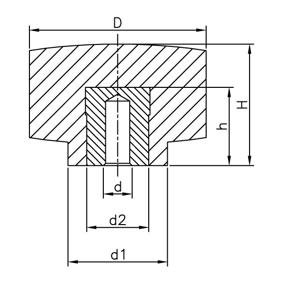
| Kod No | D | H | d | d1 | d2 | h | Renk |
| 112025301 | 25 | 19 | 5.25 | 16 | 12 | 15 | Siyah |
| 112032301 | 32 | 22 | 5.25 | 18 | 12 | 15 | Siyah |
| 112040301 | 40 | 27 | 5.25 | 21 | 14 | 17 | Siyah |
| 112050301 | 50 | 31 | 5.25 | 23 | 18 | 22 | Siyah |
DOSYALAR
Makine Kulpları

TR 
EN
RU
AR
FA
HE
EL
BG
ES
PL
HU
RO
CS
DE
FR
ZH






