Makine Çark Ve Kolları
HQI


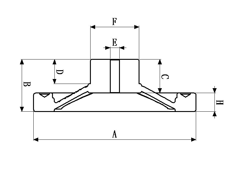
| KOD: HQI | |||||||||
| Model No. | |||||||||
| Steel Bush | Aluminum Bush | A | B | C | D | E | F | H | G.W. |
| HQI-80 | HQI-80AL | 80 | 30 | 23 | 15 | 6 | 32 | 13,5 | 0.14KG |
| HQI-100 | HQI-100AL | 100 | 34 | 23 | 15 | 8 | 38 | 14 | 0.21KG |
| HQI-125 | HQI-125AL | 125 | 41 | 25 | 16 | 8 | 40 | 15 | 0.31KG |
| HQI-140 | HQI-140AL | 140 | 45 | 29 | 21 | 8 | 42 | 16 | 0.42KG |
| HQI-160 | HQI-160AL | 160 | 46 | 30 | 19 | 8 | 42 | 18 | 0.57KG |
| HQI-200 | HQI-200AL | 200 | 55 | 38 | 18 | 10 | 49 | 21 | 0.91KG |
| HQI-250 | HQI-250AL | 250 | 74 | 54 | 30 | 12 | 56 | 23 | 1.38KG |
| Unit: mm | |||||||||
DOSYALAR
Makine Çark Ve Kolları










