Makine Çark Ve Kolları
1132Sa AVRUPA (FORMA Sa)

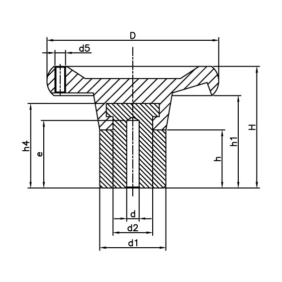
Çelik göbekli.
Diş çekilmiş delik.
PF: Siyah Duroplast FS 31 DIN 7708.
| Kod No | D | H | d | e | d2 | h4 | d1 | h | h1 | d5 | Renk |
| 113210651 | 100 | 52 | 8 | 25 | 28 | 32 | 40 | 25 | 34 | M6 | Siyah |
| 113212651 | 125 | 64 | 8 | 25 | 28 | 32 | 40 | 25 | 43 | M8 | Siyah |
| 113215651 | 150 | 82 | 10 | 30 | 35 | 50 | 50 | 30 | 57 | M10 | Siyah |
| 113217651 | 175 | 84 | 10 | 30 | 35 | 50 | 50 | 30 | 64 | M10 | Siyah |
| 113220651 | 200 | 86 | 10 | 30 | 35 | 50 | 50 | 30 | 64 | M12 | Siyah |
DOSYALAR
Makine Çark Ve Kolları

TR 
EN
RU
AR
FA
HE
EL
BG
ES
PL
HU
RO
CS
DE
FR
ZH








