Makine Çark Ve Kolları
HFST PASLANMAZ ÇELİK ÇARKLAR (MALZEME SUS 304) KUM DÖKÜM

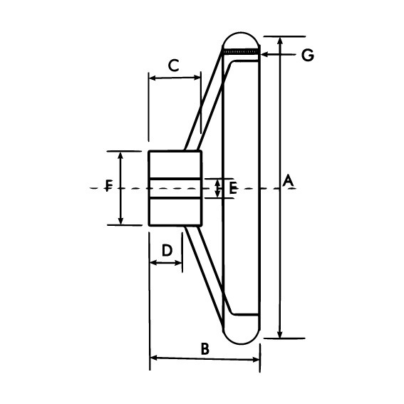
Çark kolu dahil değildir.
Çark kolu için lütfen index
bölümüne bakınız.
| Kod No | A | B | C | D | E | F | G | H | Ağırlık |
| HFST-80 | 80 | 28 | 17 | 12 | 6 | 29 | * | 7,5 | 0,26 kg |
| HFST-100 | 100 | 31 | 19 | 14 | 8 | 30 | * | 8 | 0,34 kg |
| HFST-125 | 125 | 31 | 20 | 15 | 8 | 34 | * | 9 | 0,48 kg |
| HFST-140 | 140 | 36 | 20 | 15 | 8 | 36 | * | 11 | 0,76 kg |
| HFST-160 | 160 | 40 | 22 | 16 | 8 | 38 | * | 12,5 | 11 kg |
| HFST-200 | 200 | 46 | 23 | 17 | 8 | 45 | * | 14 | 1,86 kg |
| HFST-250 | 250 | 52 | 26 | 19 | 8 | 48 | * | 16 | 2,97 kg |
DOSYALAR
Makine Çark Ve Kolları

TR 
EN
RU
AR
FA
HE
EL
BG
ES
PL
HU
RO
CS
DE
FR
ZH








