Manivela Kolları
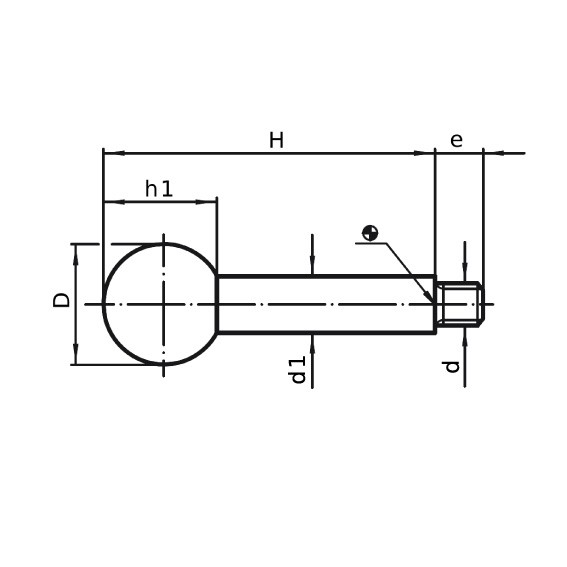
3802T MANİVELA (TOPUZ)

Cıvatalı.
Fe: Çelik, Karartılmış.
Küre tokmak (DIN 319): Siyah Duroplast PF 31.
| Kod No | d1 | H | d | e | D | h1 | Yüzey |
| 380200022 | 8 | 80 | M6 | 9 | 20 | 18 | Karartılmış |
| 380200032 | 10 | 100 | M8 | 11 | 25 | 22.5 | Karartılmış |
| 380200042 | 12 | 125 | M10 | 14 | 32 | 29 | Karartılmış |
| 380200052 | 14 | 160 | M12 | 16 | 35 | 32.5 | Karartılmış |
| 380200062 | 16 | 200 | M14 | 18 | 40 | 37 | Karartılmış |
DOSYALAR
Manivela Kolları

TR 
EN
RU
AR
FA
HE
EL
BG
ES
PL
HU
RO
CS
DE
FR
ZH








