Makine Ayakları
1188 PİNGO (LASTİK, PASLANMAZ)

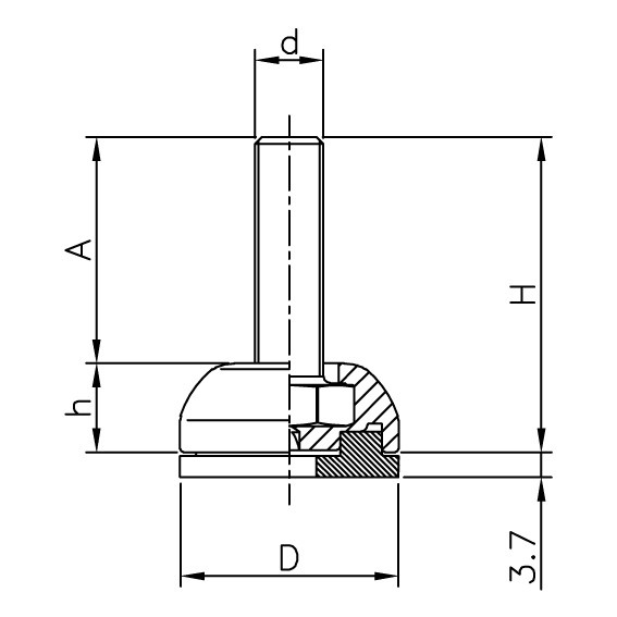
Paslanmaz-çelik AISI-304 cıvatalı.
RB: Lastik (Sh A 80).
* Maks. statik yük.

| Kod No | D | H | h | d | A | Kg* | Renk |
| 118832580 | 32 | 42 | 16 | M8 | 26 | 300 | Siyah |
| 118832581 | 32 | 36 | 16 | M10 | 20 | 400 | Siyah |
| 118840580 | 40 | 52 | 16 | M8 | 36 | 300 | Siyah |
| 118840581 | 40 | 46 | 16 | M10 | 30 | 400 | Siyah |
DOSYALAR
Makine Ayakları

TR 
EN
RU
AR
FA
HE
EL
BG
ES
PL
HU
RO
CS
DE
FR
ZH




