Numaratörler Ve Aksesuarları

-
0
Sepetinizde Ürün Bulunmamaktadır.

Numaratörler Ve Aksesuarları
>
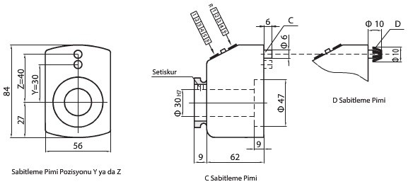
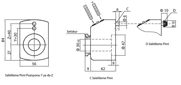
SK20 NUMARATÖR


TR 
EN
RU
AR
FA
HE
EL
BG
ES
PL
HU
RO
CS
DE
FR
ZH





