Kaplinler
NM SÜPER ELASTİK KAPLİNLER

• Yüksek değerli pik döküm (FC-25) ani tork değişikliklerine daha çok dayanır.
• Özel lastik malzemesi, yıpranma ve ısı dayanımı sağlar ve yağ/gaz dayanıklığı vardır. Sorunsuz aktarım sağlar ve bakım ömrü uzundur.
• Sessiz çalışma.
• Lastik malzemelerin, hızlı, güvenilir ve ekonomik değişimi.
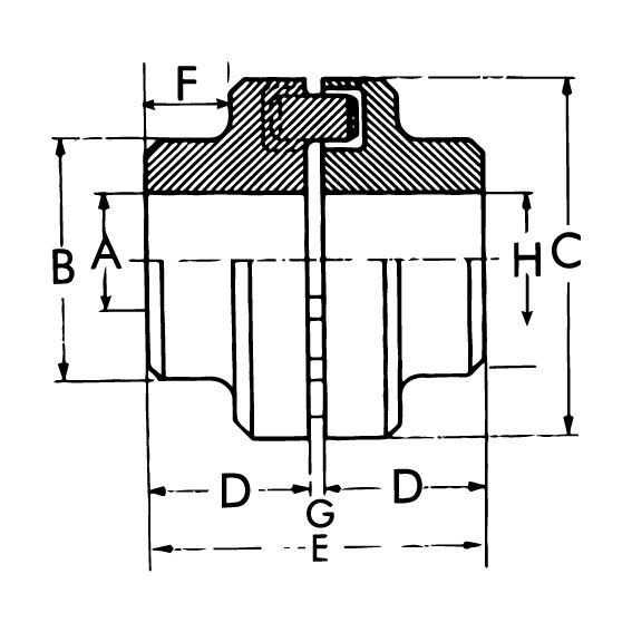
| Kod No | Merkez Deliği (A) |
Delik Çapı (H) | Dişler | Başlık Çapı (B) |
Çap | Başlık | Tek Taraf | Tüm | kg | Ağırlık (kg) |
|
| Min. | Max. | (C) | Yüksekliği (F) | Yüksekliği (D) | Yükseklik (E) | ||||||
| NM-50 | 8 | 8 | 19 | 4 | 33 | 50 | 13 | 25 | 52 | 0,21 | 0,45 |
| NM-67 | 8 | 10 | 28 | 4 | 46 | 67 | 15 | 30 | 62,5 | 0,41 | 0,42 |
| NM-82 | 8 | 10 | 32 | 4 | 53 | 82 | 24 | 40 | 83 | 0,79 | 1,68 |
| NM-97 | 10 | 12 | 42 | 5 | 69 | 97 | 30 | 50 | 103 | 1,58 | 3,37 |
| NM-112 | 15 | 19 | 48 | 6 | 79 | 112 | 38 | 60 | 123,5 | 2,42 | 5,05 |
| NM-128 | 15 | 24 | 55 | 6 | 90 | 128 | 45 | 70 | 143,5 | 3,77 | 7,86 |
| NM-148 | 15 | 18 | 65 | 7 | 107 | 148 | 52 | 80 | 163,5 | 6,05 | 12,3 |
| NM-168 | 25 | 28 | 75 | 8 | 124 | 168 | 56 | 90 | 183,5 | 8,84 | 18,3 |
| NM-194 | 30 | 32 | 85 | 9 | 140 | 194 | 62 | 100 | 203,5 | 12,9 | 26,4 |
| NM-214 | 35 | 38 | 95 | 9 | 157 | 214 | 68 | 110 | 224 | 17,6 | 36,9 |
PERFORMANS TABLOSU:
| Kod No | Akslar Arası İzin Verilen Tolerans | Maks. R.P.M. | Akslar Arası İzin Verilen Tolerans | kg-m2 için | |||
| Normal TK N.m. | Maks. TK N.m. | Eksenel | Dairesel | Açı | GD2 değeri | ||
| NM-50 | 1,4 | 2,3 | 12,5 | 2±0,5 | 0,6±0,2 | 2º | 0,45 |
| NM-67 | 2,3 | 4 | 10 | 2,5±0,5 | 0,8±0,2 | 2º | 0,92 |
| NM-82 | 5,2 | 9 | 8 | 3±1 | 0,8±0,2 | 2º | 1,68 |
| NM-97 | 10,8 | 19 | 7 | 3±1 | 1±0,2 | 2º | 3,37 |
| NM-112 | 17,3 | 30 | 6 | 3,5±1 | 1±0,2 | 2º | 5,05 |
| NM-128 | 27,8 | 48 | 5 | 3,5±1 | 1,2±0,2 | 2º | 7,86 |
| NM-148 | 42,7 | 75 | 4,5 | 3,5±1 | 1,2±0,2 | 2º | 12,35 |
| NM-168 | 71,2 | 125 | 4 | 3,5±1,5 | 1,2±0,2 | 2º | 18,35 |
| NM-194 | 114,6 | 201 | 3,5 | 3,5±1,5 | 1,2±0,2 | 2º | 26,45 |
| NM-214 | 171 | 300 | 3 | 4±2 | 1,2±0,2 | 2º | 36,9 |
DOSYALAR
Kaplinler

TR 
EN
RU
AR
FA
HE
EL
BG
ES
PL
HU
RO
CS
DE
FR
ZH