Antivibrationsfüße
4125 ANTI-VIBRATION MOUNT

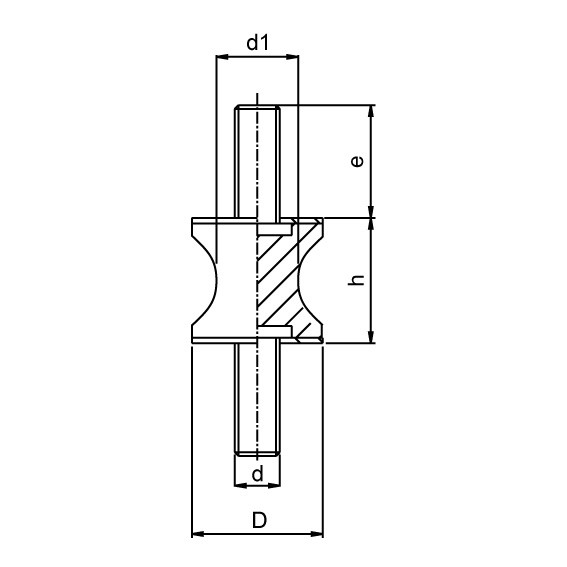
Natural rubber 60º±5º shore A.
Zinc plated steel bolt.
Especially suitable for fastening precision equipment, control panels, lightweight machines, hanging tools that are sensitive to vibration.
Cp: Max. compressive load (Kg).
Cz: Max. shear load (Kg).
| Code No | D | h | d1 | d | e | Cp | Cz |
| 412501207 | 12 | 15 | 7 | M4 | 10 | 3 | 0.8 |
| 412502510 | 25 | 20 | 10 | M6 | 18 | 50 | 3 |
| 412503024 | 30 | 20 | 24 | M8 | 23 | 60 | 10 |
| 412504019 | 40 | 30 | 19 | M8 | 20 | 80 | 6 |
| 412504027 | 40 | 30 | 27 | M8 | 20 | 100 | 8 |
DATEIEN
Antivibrationsfüße


DE 
TR
EN
RU
AR
FA
HE
EL
BG
ES
PL
HU
RO
CS
FR
ZH






