L SUPER ELASTIC COUPLINGS

• Produced from high grade powder metallurgic matteteerial so that it can withstand sudden torque changes more.
• High grade composite rubber is used for high friction and heat resistance, oil and gas resistance. It offers smooth transmission and has a long service life.
• Silent Operation.
• Poyra Surfacei, uygun bağlantı ve merkezleme için hassas bir şekilde işlenmiştir.
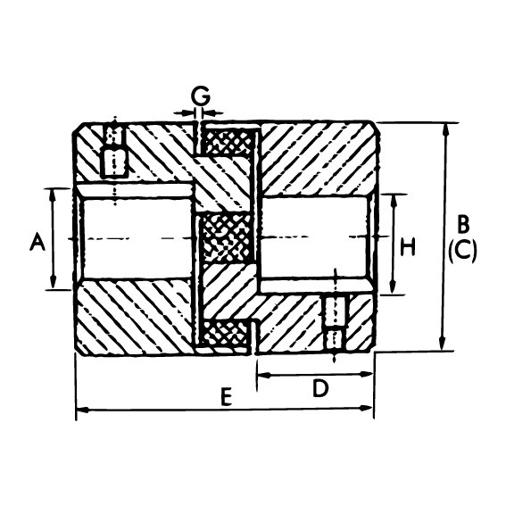
| Code No | Center Hole (A) |
Hole Diameter (H) | Teeth | Cap Diameter (B) |
Diameter | Cap | One Side | Whole | kg | Weight (kg) |
|
| Min. | Max. | (C) | Height (F) | Height (D) | Height (E) | ||||||
| L-035 | 0 | 3,18 | 9 | 2 | 16 | 16 | - | 7 | 21 | 0,01 | 0,03 |
| L-050 | 6,35 | 6,35 | 16 | 2 | 28 | 28 | - | 15,5 | 43 | 0,06 | 0,15 |
| L-070 | 6,35 | 6,35 | 19 | 2 | 35 | 35 | - | 19 | 51 | 0,11 | 0,25 |
| L-075 | 7,94 | 7,94 | 24 | 3 | 45 | 45 | - | 21 | 54 | 0,19 | 0,5 |
| L-090 | 7,94 | 7,94 | 26 | 3 | 54 | 54 | - | 22 | 55 | 0,31 | 0,64 |
| L-095 | 11,1 | 11,1 | 28 | 3 | 54 | 54 | - | 25 | 64 | 0,37 | 0,75 |
| L-099 | 11,1 | 11,1 | 32 | 3 | 65 | 65 | - | 27 | 73 | 0,6 | 1,3 |
| L-100 | 12,7 | 12,7 | 36 | 3 | 65 | 65 | - | 35 | 89 | 0,8 | 1,7 |
| L-110 | 15,8 | 15,8 | 42 | 3 | 84 | 84 | - | 43 | 108 | 1,6 | 3,35 |
| L-150 | 19,05 | 19,05 | 48 | 3 | 95 | 95 | - | 45 | 114 | 2,1 | 4,35 |
| L-190 | 22,22 | 22,22 | 54 | 3 | 102 | 115 | 35 | 54 | 133 | 4 | 8,25 |
| L-225 | 38 | 38 | 66 | 3 | 108 | 127 | 35 | 64 | 154 | 5,3 | 10,8 |
PERFORMANCE TABLE:
| Code No | Allowable Tolerance Between Axles | Max. R.P.M. | Allowable Tolerance Between Axles | for kg-m2 | |||
| Normal TK N.m. | Max. TK N.m. | Eksenel | Circular | Angle | GD2 value | ||
| L-035 | 0,05 | 0,15 | 20 | ±0,5 | ±0,1 | 1º | 0,1 |
| L-050 | 0,3 | 0,9 | 15 | ±0,5 | ±0,1 | 1º | 0,5 |
| L-070 | 0,5 | 1,5 | 12 | ±0,5 | ±0,2 | 1º | 1,9 |
| L-075 | 1 | 2 | 10 | ±0,6 | ±0,2 | 1º | 5,2 |
| L-090 | 1,6 | 3,2 | 9 | ±0,6 | ±0,2 | 1º | 11,5 |
| L-095 | 2,2 | 4,4 | 8 | ±0,7 | ±0,3 | 1º | 17 |
| L-099 | 4 | 8 | 7 | ±0,7 | ±0,3 | 1º | 29 |
| L-100 | 5 | 10 | 6 | ±0,8 | ±0,3 | 1º | 39,8 |
| L-110 | 9 | 18 | 5 | ±0,8 | ±0,4 | 1,2º | 133 |
| L-150 | 15 | 30 | 4,5 | ±1 | ±0,4 | 1,2º | 232 |
| L-190 | 20 | 50 | 4 | ±1 | ±0,4 | 1,5º | 565 |
| L-225 | 30 | 60 | 3,4 | ±1,2 | ±0,5 | 1,5º | 1384 |


PL 
TR
EN
RU
AR
FA
HE
EL
BG
ES
HU
RO
CS
DE
FR
ZH