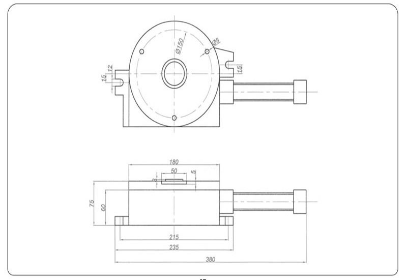
Index fülek
JRA-180-8


| KÓD SZÁMA | Max. Szállítás | index részei | üzemi nyomás | futó tábla átmérjője | index tábla átmérője | index tábla magassága |
| JRA - 180 - 8 | 50 | 8 | 1 - 7 | 280 | 180 | 75 |
DOSSZIÉK


HU 
TR
EN
RU
AR
FA
HE
EL
BG
ES
PL
RO
CS
DE
FR
ZH


