Scripeți
PM CAST IRON PULLEY

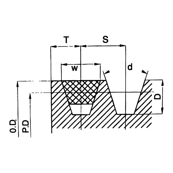
| P.D. | d | W | D | S | T | |
| A TİPİ | 4” | 34º | 12 | 11,9 | 16 | 10 |
| 4-1/2”-6-1/2” | 36º | 12,1 | 12 | 16 | 10 | |
| 7” | 38º | 12,2 | 12 | 16 | 10 | |
| B TİPİ | 4” | 34º | 15,4 | 14 | 20 | 12 |
| 4-1/2”-6-1/2” | 36º | 15,5 | 14,8 | 20 | 12 | |
| 7” | 38º | 15,6 | 15 | 20 | 12 | |
| C TİPİ | 9” | 34º | 21,2 | 18,8 | 25,5 | 16,5 |
| 10”-12” | 36º | 21,5 | 19 | 25,5 | 16,5 | |
| 13” | 38º | 21,5 | 19 | 25,5 | 16,5 |
Custom designs are available.
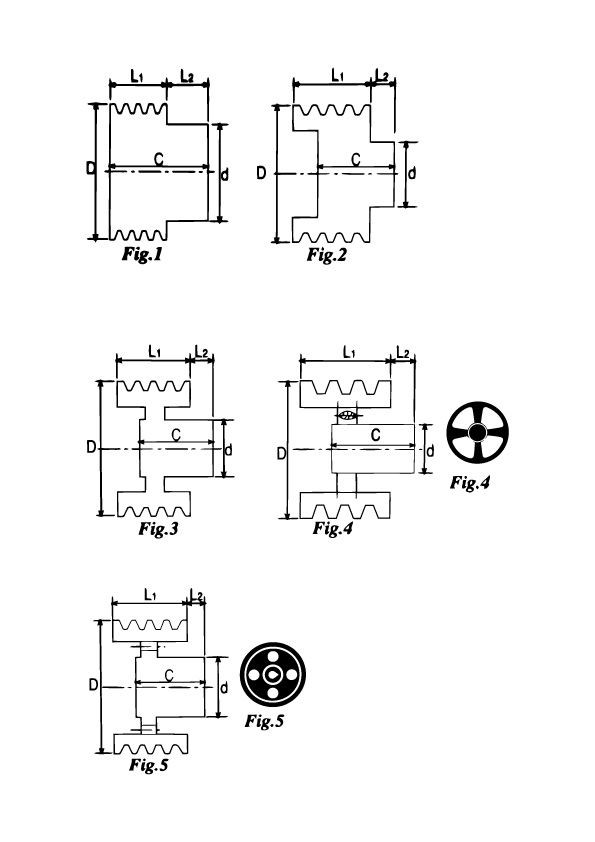
| PM Series / HEAVY DUTY TYPE | |||||||||||||||||||||
| Code No | O.D. | Al | Code No | A2 | Code No | A3 | |||||||||||||||
| Fig | D | d | LI | L2 | C | Fig | D | d | LI | L2 | C | Fig | D | d | LI | L2 | C | ||||
| PM A1-2 | 2" | 1 | 50,8 | 39 | 20 | 18 | 38 | PM A2-2 | 1 | 50,8 | 40 | 36 | 19 | 54 | |||||||
| PM A1-2,5 | 2-1/2" | 1 | 63,5 | 45 | 20 | 19 | 39 | PM A2-2,5 | 1 | 63,5 | 50 | 36 | 19 | 55 | PM A3-2,5 | 2 | 63,5 | 49 | 52 | 20 | 71 |
| PM A1-3 | 3” | 1 | 76,2 | 49 | 20 | 20 | 40 | PM A2-3 | 1 | 76,2 | 54 | 36 | 20 | 55 | PM A3-3 | 2 | 76,2 | 59 | 52 | 20 | 57 |
| PM A1-3,5 | 3-1/2” | 1 | 88,9 | 50 | 20 | 20 | 40 | PM A2-3,5 | 2 | 88,9 | 60 | 36 | 20 | 35 | PM A3-3,5 | 2 | 88,9 | 60 | 52 | 20 | 50 |
| PM A1-4 | 4" | 2 | 101,6 | 49 | 20 | 20 | 25 | PM A2-4 | 2 | 101,6 | 68 | 36 | 20 | 35 | PM A3-4 | 2 | 101,6 | 68 | 52 | 20 | 50 |
| PM A1-4,5 | 4-1/2” | 3 | 114,3 | 56 | 20 | 20 | 30 | PM A2-4,5 | 2 | 114,3 | 68 | 36 | 20 | 35 | PM A3-4,5 | 2 | 114,3 | 78 | 52 | 20 | 54 |
| PM A1-5 | 5" | 3 | 127 | 58 | 20 | 20 | 35 | PM A2-5 | 2 | 127,0 | 68 | 36 | 20 | 35 | PM A3-5 | 3 | 127 | 78 | 52 | 20 | 50 |
| PM A1-5,5 | 5-1/2” | 3 | 139,7 | 60 | 20 | 20 | 34 | PM A2-5,5 | 2 | 139,7 | 68 | 36 | 20 | 36 | PM A3-5,5 | 3 | 139,7 | 72 | 52 | 20 | 52 |
| PM A1-6 | 6" | 3 | 152,4 | 62 | 20 | 20 | 34 | PM A2-6 | 3 | 152,4 | 68 | 36 | 20 | 44 | PM A3-6 | 3 | 152,4 | 78 | 52 | 20 | 52 |
| PM A1-6,5 | 6-1/2” | 3 | 165,1 | 62 | 20 | 20 | 30 | PM A2-6,5 | 3 | 165,1 | 68 | 36 | 20 | 45 | PM A3-6,5 | 3 | 165,1 | 78 | 52 | 20 | 53 |
| PM A1-7 | 7" | 5 | 177,8 | 62 | 20 | 20 | 35 | PM A2-7 | 5 | 177,8 | 68 | 36 | 20 | 43 | PM A3-7 | 5 | 177,8 | 80 | 52 | 20 | 55 |
| PM A1-8 | 8" | 5 | 203,2 | 62 | 20 | 20 | 35 | PM A2-8 | 5 | 203,2 | 69 | 36 | 20 | 44 | PM A3-8 | 5 | 203,2 | 80 | 52 | 20 | 56 |
| PM A1-9 | 9" | 5 | 228,6 | 62 | 20 | 20 | 37 | PM A2-9 | 5 | 228,6 | 70 | 36 | 20 | 43 | PM A3-9 | 5 | 228,6 | 80 | 52 | 20 | 57 |
| PM A1-10 | 10" | 5 | 254 | 62 | 20 | 20 | 37 | PM A2-10 | 5 | 254,0 | 84 | 36 | 20 | 45 | PM A3-10 | 5 | 254 | 90 | 52 | 20 | 56 |
| PM A1-11 | 11" | 5 | 279,4 | 68 | 20 | 20 | 37 | PM A2-11 | 5 | 279,4 | 72 | 36 | 20 | 46 | PM A3-11 | 5 | 279,4 | 90 | 52 | 20 | 56 |
| PM A1-12 | 12" | 5 | 304,8 | 68 | 21 | 21 | 37 | PM A2-12 | 5 | 304,8 | 72 | 36 | 20 | 45 | PM A3-12 | 5 | 304,8 | 90 | 52 | 20 | 58 |
| Code No | O.D. | B1 | Code No | B2 | ||||||||||
| Fig | D | d | LI | L2 | C | Fig | D | d | LI | L2 | C | |||
| PM B1-2 | 2” | 1 | 50,8 | 39 | 16 | 40 | 40 | PM B2-2 | 1 | 50,8 | 41 | 44 | 16 | 60 |
| PM B1-2,5 | 2-1/2” | 1 | 63,5 | 45 | 18 | 42 | 42 | PM B2-2,5 | 1 | 63,5 | 49 | 44 | 16 | 60 |
| PM B1-3 | 3” | 1 | 76,2 | 50 | 20 | 44 | 44 | PM B2-3 | 1 | 76,2 | 55 | 44 | 20 | 64 |
| PM B1-3,5 | 3-1/2” | 1 | 88,9 | 58 | 20 | 44 | 44 | PM B2-3,5 | 2 | 88,9 | 60 | 44 | 20 | 42 |
| PM B1-4 | 4” | 2 | 101,6 | 60 | 20 | 27 | 27 | PM B2-4 | 2 | 101,6 | 68 | 44 | 20 | 42 |
| PM B1-4,5 | 4-1/2” | 2 | 114,3 | 60 | 20 | 27 | 27 | PM B2-4,5 | 2 | 114,3 | 68 | 44 | 20 | 41 |
| PM B1-5 | 5” | 3 | 127 | 60 | 20 | 35 | 35 | PM B2-5 | 2 | 127 | 68 | 44 | 20 | 41 |
| PM B1-5,5 | 5-1/2” | 3 | 139,7 | 65 | 20 | 38 | 38 | PM B2-5,5 | 2 | 139,7 | 68 | 44 | 20 | 41 |
| PM B1-6 | 6” | 3 | 152,4 | 65 | 20 | 38 | 38 | PM B2-6 | 3 | 152,4 | 72 | 44 | 20 | 48 |
| PM B1-6,5 | 6-1/2” | 3 | 165,1 | 65 | 20 | 38 | 38 | PM B2-6,5 | 3 | 165,1 | 72 | 44 | 20 | 48 |
| PM B1-7 | 7” | 5 | 177,8 | 65 | 20 | 39 | 39 | PM B2-7 | 5 | 177,8 | 74 | 44 | 20 | 48 |
| PM B1-7,5 | 7-1/2” | 5 | 190,5 | 63 | 20 | 38 | 38 | PM B2-7,5 | 5 | 190,5 | 74 | 44 | 20 | 48 |
| PM B1-8 | 8” | 5 | 203,2 | 65 | 20 | 38 | 38 | PM B2-8 | 5 | 203,2 | 74 | 44 | 20 | 48 |
| PM B1-8,5 | 8-1/2” | 5 | 215,9 | 67 | 20 | 39 | 39 | PM B2-8,5 | 5 | 215,9 | 74 | 44 | 20 | 47 |
| PM B1-9 | 9” | 5 | 228,6 | 65 | 20 | 38 | 38 | PM B2-9 | 5 | 228,6 | 72 | 44 | 20 | 48 |
| PM B1-10 | 10” | 5 | 254 | 65 | 20 | 39 | 39 | PM B2-10 | 5 | 254 | 76 | 44 | 20 | 47 |
| PM B1-11 | 11” | 5 | 279,4 | 67 | 20 | 39 | 39 | PM B2-11 | 5 | 279,4 | 84 | 44 | 21 | 49 |
| PM B1-12 | 12” | 5 | 304,8 | 68 | 20 | 39 | 39 | PM B2-12 | 4 | 304,8 | 74 | 44 | 22 | 51 |
| PM B1-13 | 13” | 4 | 328,7 | 74 | 22 | 44 | 44 | PM B2-13 | 4 | 330,2 | 79 | 44 | 22 | 54 |
| PM B1-14 | 14” | 4 | 355,6 | 70 | 22 | 45 | 45 | PM B2-14 | 4 | 355,6 | 80 | 44 | 22 | 54 |
| PM B1-15 | 15” | 4 | 381 | 74 | 22 | 44 | 44 | PM B2-15 | 4 | 381 | 80 | 44 | 22 | 55 |
| PM B1-16 | 16” | 4 | 406,4 | 70 | 22 | 45 | 45 | PM B2-16 | 4 | 406,4 | 86 | 44 | 23 | 55 |
| PM B2-18 | 4 | 457,2 | 82 | 44 | 23 | 56 | ||||||||
| PM B2-20 | 4 | 508 | 85 | 44 | 24 |
56 |
||||||||
| LI | L2 | C | Fig | D | d | LI | L2 | C | |
| 64 | 17 | 81 | |||||||
| 64 | 20 | 63 | |||||||
| 64 | 20 | 58 | PM B4-3,5 | 2 | 88,9 | 70 | 84 | 20 | 78 |
| 64 | 20 | 58 | PM B4-4 | 2 | 101,6 | 78 | 84 | 20 | 74 |
| 64 | 20 | 58 | PM B4-4,5 | 2 | 114,3 | 78 | 84 | 20 | 72 |
| 64 | 20 | 58 | PM B4-5 | 2 | 127,0 | 85 | 84 | 20 | 76 |
| 64 | 20 | 56 | PM B4-5,5 | 2 | 139,7 |
FIȘIERE


RO 
TR
EN
RU
AR
FA
HE
EL
BG
ES
PL
HU
CS
DE
FR
ZH